内置微处理器;
24V直流电源输入, 24V有源继电器输出;
通信采用二总线技术,无极性要求,在保证低功耗的同时使传输距离最远达 1500m;
施工中建议使用双绞线,导线截面积不小于1.5mm2;
回路信号处理电路与输入/输出检测信号处理电路实现电气隔离,接口稳定性高,抗干扰能力强;
电子编码方式,可通过专用电子编码器编址;
插拔式结构,易于施工、维护方便;
具备状态监测和多种故障检测功能。
|
内容 |
技术参数 |
|
电源输入电压 |
DC 16-30V |
|
回路总线 |
调制型,二总线,无极性 |
|
工作电流 |
<0.1mA |
|
输出容量 |
DC24V/300mA |
|
编码方式 |
电子编码器编码 |
|
编码范围 |
1-252 |
|
指示灯 |
监视:“运行”灯红色闪亮,“输出动作”灯红色常亮。 动作并应答:“运行”灯红色闪亮高亮,“输出动作”灯熄灭。 故障:“运行”灯红色连续闪亮两次。 |
|
外形尺寸 |
(长 ×宽×高)120mm × 82mm× 43mm |
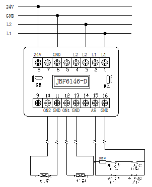
L1(端子1、端子2)、L2(端子3、端子4):接通回路总线,无极性;
2V(端子8)、GND(端子6):接24V直流电源,有极性;
输入功能:AS(端子15)、GND(端子16):接应答(无源触点);
输出功能:ON2(端子10)、ON1(端子12)、GND(端子11、13):接被控设备。接口启动前ON2(端子10)、ON1(端子12)持续输出24V,接口启动后,ON1端与GND端、ON2端与GND端不再输出24V;
该接口功能和JBF6142-D相似,但专门针对双扇常开防火门设计,具备两路控制输出,可以同时控制双开门的两个电动闭门器,占用一个回路地址点。
