内置微处理器;
工作时需要DC24V电源;
采用无极性二总线技术,最大通讯距离可达1500m;
模块输入、输出线路间采用电气隔离设计,避免因为错误接线导致对系统的损坏;
电子编码方式,可通过专用电子编码器编址;
输入、输出端线路具备故障检测功能。
|
内容 |
技术参数 |
|
回路总线 |
调制型,二总线,无极性 |
|
监视电流 |
<0.1mA |
|
输出容量 |
DC24V/1A |
|
编码方式 |
电子编码器编码 |
|
编码范围 |
1-252 |
|
输入指示灯 |
监视状态:“输入动作”灯红色闪亮。 动作状态:“输入动作”灯红色闪亮高亮。 故障状态:“输入动作”灯红色连续闪亮两次。 |
|
输出指示灯 |
监视状态:“输出动作”灯红色闪亮。 动作状态:“输出动作”灯红色常亮。 |
|
外形尺寸 |
(长 ×宽×高)85mm × 85mm× 41mm |
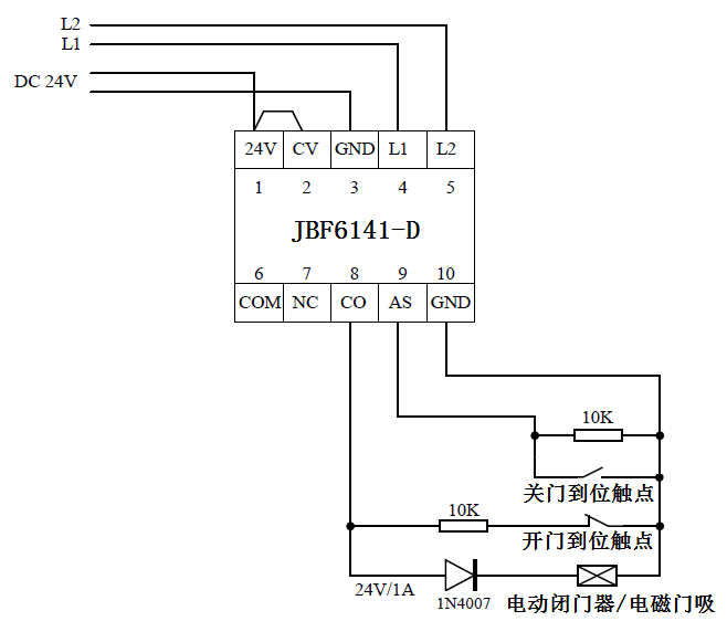
L1(端子4)、L2(端子5)连接回路总线,无极性;
24V(端子1)、GND(端子3)连接24V直流电源,有极性;
CV(端子2):接24V直流电源;
AS(端子9)、GND(端子10)连接电动闭门器等设备的关门到位信号(无源触点);
端子AS和GND连接的被监视设备动合端须并联10KΩ电阻,以实现对输入线路的检测功能;
CO(端子8)、GND(端子10)连接被控设备。模块启动后CO端(8)输出24V信号;
CO和GND之间必须并联10KΩ终端电阻,以实现对输出线路的检测功能;
该接口模块安装在常开防火门附近,与防火门上的电动闭门器(机械定位)、电磁释放器等设备进行连接,用以在火灾发生时通过操作防火门监控器对防火门进行远程关闭,并接收防火门是否关闭正常的信号上传给防火门监控器。
