CN | EN

剩余电流式电气火灾监控探测器

产品型号:JBF6180系列

返回产品
600x600产品_副本
600x600产品_副本 (2)
600x600产品_副本
600x600产品_副本 (2)
产品介绍

功能特点

探测器本身自带液晶显示器,可查看探测器总线地址,报警设定值、实时探测值等信息。

低功耗工作,采用总线供电,最大传输距离可达1500米。

实时将电流值及故障等状态信号传输至配接的电气火灾监控设备。

剩余电流互感器采用灌封工艺,耐受恶劣环境。

独特的产品PSN码读取功能,便于产品跟踪管理。

技术参数列表


内容

技术参数

检测对象

剩余电流

检测范围

剩余电流(501000mA

线   

两总线,无极性

工作电压

DC24V

使用环境

温度(-1065)℃

湿度(1093%RH(非凝露)

工作电流

<0.1mA

编码方式

使用专用电子编码器

编码范围

1-252

执行标准

GB 14285.2-2014《电气火灾监控系统》 第2部分:剩余电流式电气火灾监控探测器

设备型号规格表


探测器型号

报警设定值范围(mA)

额定

电流(A

尺寸(mm)

适用检
测类型

 

 

 

A(高)

C(长)

D(宽)

 

JBF6180-100

50~1000

100

113

99

30

线缆

JBF6180-315

100~1000

315

152

131

30

线缆

JBF6180-630

100~1000

630

181

160

30

线缆

JBF6180-315C

200~1000

315

105

208

38

铜排

JBF6180-630C

200~1000

630

141

332

38

铜排

JBF6180-1000C

200~1000

1000

184

440

50

铜排

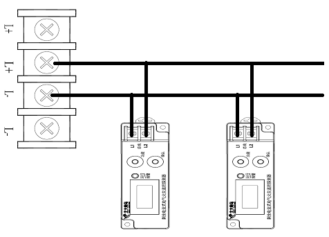
接线说明

探测器的接线端子处有两个带L1、L2标注的接线端子,两个端子为无极性总线输入,接入电气火灾监控设备的回路总线上。

注意:禁止在通电的情况下进行线路连接。

安装注意事项

接线导线应选用ZR-RVS-2×1.5mm²,两总线安装布线时,注意与强电线路分开布线。

当回路通讯线采用屏蔽双绞线时,屏蔽双绞线的屏蔽层应良好接地,否则屏蔽层不起作用。

注意:为了保证系统的稳定性,回路总线禁止使用单股导线或者平行线。

市场部公众号

市场部公众号

官方公众号

官方公众号