属于专线联动控制设备,主要用于对消防泵、风机等大型专线联动消防设备的启、停控制。
输出信号通过JBF5155输入/输出模块实现对专线联动设备的控制,同时多线控制盘与JBF5155输入/输出模块之间的线路状态可通过控制器主机进行监控。
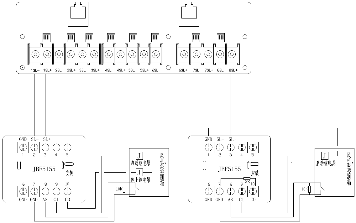
具有8组控制输出,每组包含1个启动输出、1个停止输出及1个受控设备动作应答输入。
设有“自动方式”,“手动方式”,允许、禁止切换开关。
通过预先设定联动逻辑关系对被控设备实现自动控制。
被控设备启动后10秒内未接收到应答时,可通过指示灯指示“应答缺失”。
具有脉冲点动输出及持续输出2种方式,通过显示板进行设置。
|
使用环境 |
|
|
工作温度 |
-10~+55℃ |
|
贮存温度 |
-20~+65℃ |
|
相对湿度 |
≤95%(无凝露) |
|
电气特性 |
|
|
工作电压 |
DC24V-28V,控制器提供 |
|
控制输出 |
DC24V/80mA,有源输出 |
|
容 量 |
8路专线设备启动、停止 |
|
通讯特性 |
|
|
线 制 |
两线制,专用线路有极性 |
|
通讯距离 |
1500m |
|
机械特性 |
|
|
外壳材质 |
镀锌板 |
|
外 观 |
Panton Cool Gray 3U 驼砂纹-70 |
|
产品重量 |
0.4kg |
|
外形尺寸 |
482.6mm长×88.6mm宽 |
入柜式安装,占用面板空间2U。
1SL-/1SL+~8SL-/8SL+:专线控制盘对外输出端子,连接1-8路JBF5155输入/输出模块,用于对消防泵、风机等大型专线联动消防设备的启、停控制。
左图为JBF5155点动输出接线图,右图为JBF5155持续输出接线图。
