CN | EN

输入/输出模块

产品型号:JBF5155

返回产品
600x600产品_副本
产品介绍

功能特点

内置微处理器,采用SMT表面贴装工艺。

具有脉冲点动输出与持续输出2种方式,输出信号为DC24V/80mA,用于对消防泵、风机等大型专线联动消防设备的启、停控制。

输入、输出端均具有断线监控功能。

插拔式结构,易于施工、维护方便。

两线制,专用线路有极性。功耗低,通讯距离1500m。

技术参数列表


使用环境

工作温度

-10~+55

贮存温度

-20~+65

相对湿度

95%(无凝露)

电气特性

专线输出

DC24V-28V,控制器提供

监视电流

0.3mA

报警电流

90mA

输出信号

DC24V/80mA

监视状态时输入动作灯红色闪亮、输出动作灯不亮,动作状态时输入动作灯红色常亮、输出动作灯红色常亮,故障状态时输入动作灯不亮,输出动作灯不亮

通讯特性

线   

两线制,专用线路有极性

通讯距离

1500m

兼容性

兼 容 性

可用于JBF-11SF系列及JBF50系列控制器

机械特性

外壳材质

ABS

   

PANTONE Warm Gray 1 C 米白色

产品重量

120g

防护等级

IP20

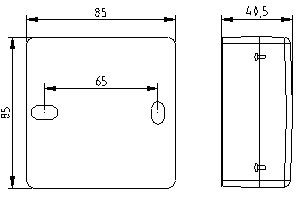
外形尺寸

85mm长×85mm宽×40.5mm厚(含底座)

执行标准

执行标准

GB16806-2006《消防联动控制系统》

结构特征、安装与布线

采用明装方式,通过预埋盒或使用膨胀螺丝将底座固定在墙上,安装孔距为65mm。

SL+端子3、SL-端子2分别接在控制器中多线控制盘单元对应的专线输出端子SL+和SL-,有极性。

专用线路采用NH-RVS-2×1.5mm²导线。

模块主体应在布线检查后、调试之前安装,防止因不恰当安装作业造成损失。

按照GB50116-2013《火灾自动报警系统设计规范》的有关规定,消防泵、风机等大型消防设备需联动控制与手动控制2种方式启动。

外形结构图


安装尺寸图


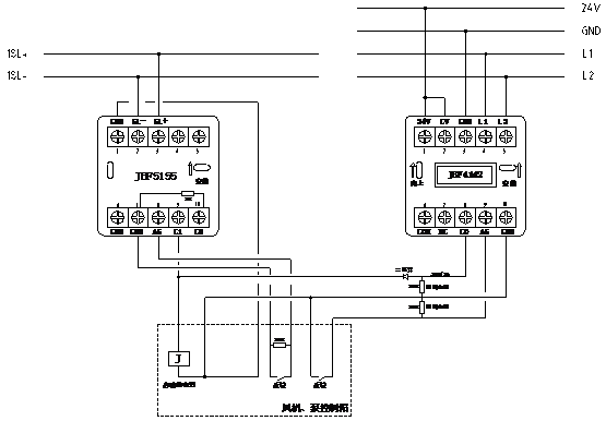
JBF5155输入/输出模块脉冲点动输出控制大型消防设备接线示意图


说明

适用于自身完成启动自保持的设备控制箱,需具备启动、停止两组中间继电器。继电器线圈阻抗要求300Ω-5KΩ。

SL+端子3、SL-端子2分别接专线输出端子SL+和SL-,有极性。

AS端子8、GND端子1或6、7分别接回答(无源触点),且需在监视设备的动合端并联10KΩ终端电阻。

C1端子9和GND端子1或6、7分别接启动继电器线圈两端。

C0端子10和GND端子1或6、7分别接停止继电器线圈两端。

按下控制器相应操作键后,启动C1端子9、停止C0端子10分别输出两组DC24V脉冲信号。

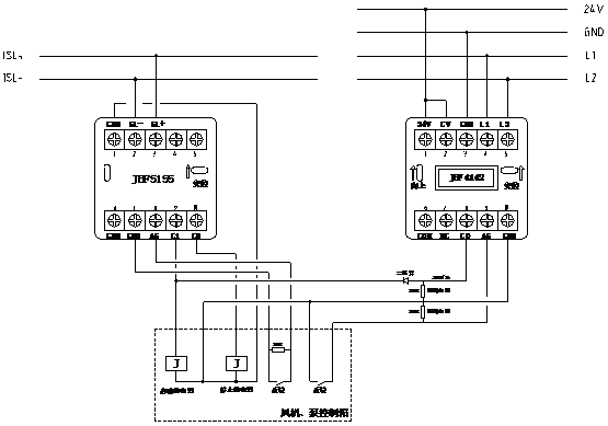
JBF5155输入/输出模块持续输出控制大型消防设备接线示意图:


说明

适用于自身不完成启动自保持的设备控制箱,只具备一组中间继电器。继电器线圈阻抗要求300Ω-5KΩ。

AS端子8、GND端子1或6、7分别接回答(无源触点),且需在监视设备的动合端并联10KΩ终端电阻。

C1端子9和GND端子1或6、7分别接启动继电器线圈两端。

启动C1端子9持续输出DC24V,停止状态时DC24V撤销。

注意事项

输出方式可通过控制器“设置多线登记及故障检测”菜单下的“输出状态”进行设置,其中“0”代表持续输出,“1”代表单次输出,即脉冲点动输出。

持续输出时仅端子C1有输出信号,启动时输出DC24V,停止时不输出。

单次输出时端子C1、端子C0均有输出信号,启动时端子C1输出DC24V,2秒后停止输出;停止时C0输出DC24V,2秒后停止输出。

市场部公众号

市场部公众号

官方公众号

官方公众号