CN | EN

输出模块

产品型号:JBF4143

返回产品
600x600产品_副本
产品介绍

功能特点

内置微处理器,采用SMT表面贴装工艺。

可同时输出动合、动断两组触点信号,触点容量DC30V/2A,用于背景音乐与应急广播之间的切换。

具备应急广播扬声器线路故障检测功能。

每只模块后所带3W应急广播扬声器≤20只。

插拔式结构,易于施工、维护方便。

四线制,其中信号线无极性,24V电源线有极性。功耗低,信号线通讯距离1500m。

技术参数列表


使用环境

工作温度

-10~+55

贮存温度

-20~+65

相对湿度

95%(无凝露)

电气特性

工作电压

DC24VDC18V-28V

回路总线

DC18V-28V,调制型,控制器提供

监视电流

0.3mADC24V

报警电流

3mADC24V

触点容量

两组DC30V /2A

监视状态时运行灯红色闪亮,动作状态时输出动作灯红色常亮

通讯特性

编址方式

使用专用电子编码器

编址范围

1-200

线   

四线制,信号线无极性,24V电源线有极性

通讯距离

1500m

兼容性

兼 容 性

可用于JBF-11SF系列及JBF50系列控制器

机械特性

外壳材质

ABS

   

PANTONE Warm Gray 1 C 米白色

产品重量

190g

防护等级

IP20

外形尺寸

120mm长×82mm宽×43mm厚(含底座)

执行标准

执行标准

GB16806-2006《消防联动控制系统》

结构特征、安装与布线

采用明装方式,通过预埋盒或使用膨胀螺丝将底座固定在墙上,安装孔距为60mm。

使用专用电子编码器对其设定地址码(1-200)。

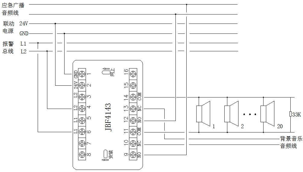
L1端子5或6、L2端子3或4分别接信号线L1和L2,无极性;24V端子2、GND端子1分别接电源线DC24V、GND,有极性。

信号线采用ZR-RVS-2×1.5mm²双绞线,电源线采用NH-BV-2×2.5mm²导线。

模块主体应在布线检查后、调试之前安装,防止因不恰当安装作业造成损失。

外形结构图


安装尺寸图


接线示意图


说明

L1端子5或6、L2端子3或4分别接信号线L1和L2,无极性。

24V端子2、GND端子1分别接电源线DC24V、GND,有极性。

NO端子9与12为常开端,接应急广播音频线。

NC端子10与13为常闭端,接背景音乐音频线。

COM端子11与14为公共端,可接应急广播扬声器,末端需配接33KΩ终端电阻。

若终端电阻直接接于模块底座上,模块将不具备输出线路故障检测功能。

市场部公众号

市场部公众号

官方公众号

官方公众号