输入接口模块
产品型号:JBF62D-31
产品型号:JBF62D-31
内置微处理器。
采用SMT表面贴装工艺。
工作电压范围广,可在DC13-28V范围内正常工作。
通信采用二总线技术,无极性要求,在保证低功耗的同时使传输距离最远达1500m。
施工中建议使用双绞线,导线截面积不小于1.5mm2。
采用青鸟消防自主研发的朱鹮芯片,抗干扰能力强,稳定性高。
电子编码方式,可通过专用电子编码器编址或防火门监控器在线编址。
采用易于客户施工、维护的插拔式结构。先安装底座,线路检查完成后再装主体进行开通调试。
具备状态监测和多种故障检测功能。
环境特性
|
工作温度 |
-10~+55℃ |
|
贮存温度 |
-20~+65℃ |
|
相对湿度 |
≤95%(无凝露) |
防爆特性
|
防爆标志 |
不涉及 |
电气特性
|
工作电压 |
DC13V-28V,调制型,控制器提供 |
|
射频电磁场辐射 抗扰度 |
30V/M |
|
监视电流 |
≤ 0.25mA(DC24V) |
|
报警电流 |
≤ 0.6mA(DC24V) |
|
确认灯 |
监视状态:“输入动作”指示灯每4秒闪亮一次 故障状态:“输入动作”指示灯每4秒连续闪亮两次 反馈状态:“输入动作”指示灯常亮 |
通讯特性
|
线制 |
二线制(无极性) |
|
编址范围 |
1~252 |
|
编址方式 |
专用电子编码器、监控器在线编址 |
|
最远传输距离 |
1500m |
兼容性
|
JBF-62S系列防火门监控器 |
机械特性
|
外观 |
PANTONE Warm Gray 1 C (米白色) |
|
外壳材质 |
ABS(塑料) |
|
产品质量 |
105g |
|
外形尺寸 |
(长×宽×高)90mm × 86mm×38mm(含底座) |
探测特性
|
保护面积 |
不涉及 |
认证特性
|
消防认证 |
执行标准
|
1) |
GB 29364-2012《防火门监控器》 |
模块采用明装方式。
布线施工后,通过预埋盒或使用膨胀螺栓将底座固定在墙上(使用M4螺钉),安装孔距为60mm。如图1所示。

图1 外形及安装尺寸图
回路总线采用不小于2×1.5mm2双绞线。
安装之前用编码器对其写入相应地址码,此编码应与工程软件中的编码相一致。
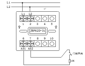
将总线接在L1、L2端子1、2上,接线无级性。
只能在线路检查后、调试之前安装,以防止因不恰当安装作业造成损失。
模块端子图例如图2所示

图2 端子图
L1(端子1)、L2(端子2):接回路总线,无极性;
输入功能----登记为常闭门时:
AS1(端子6)、AS2(端子7):接应答(无源触点)。
连接在AS1和AS2上的闭门器或门磁开关的动合端必须串联10KΩ终端电阻。
接线示意图3如下:

图3接线示意图
输入功能----登记为输入接口时:
AS1(端子6)、AS2(端子7):接应答(无源触点)。
连接在AS1和AS2上的闭门器或门磁开关的动合端必须并联10KΩ终端电阻。
接线示意图4如下:
图4接线示意图