点型紫外火焰探测器
产品型号:JTG-Z-JBF4385-Ex
产品型号:JTG-Z-JBF4385-Ex
产品采用工业标准要求设计,性能稳定可靠。
核心电路采用SMT表面贴装工艺,可靠性高,一致性好。
三色指示灯可显示正常工作状态、报警及故障状态。
多级灵敏度可调。
采用智能算法,既可以实现快速报警,又可以降低误报率。
完善的故障模式,能够精准定位故障信息。
自动控制的除霜功能更好地抵抗窗口冷凝。(需订购时选配)
丰富的输出接口,满足各种应用场景。
外壳采用高强压铸铝,产品隔爆性好,防护等级达到IP67,抗粉尘污染、抗潮湿及抗腐蚀能力强等特点。
有关技术资料、图样和样机均经石油和化学工业电气产品防爆质量监督检验中心(PCEC)审查检验合格。
该火焰探测器具有优良的抗干扰能力,不受风雨、高温、高湿及自然人工光源等影响,可良好的工作于室内或室外等各种严酷的工业现场环境下。
警告:火焰探测器安装前,务必切断火焰探测器供电线路的电源。
注意:
1、现场安装时,按GB/T 3836.15-2017标准要求、配用与环境相适应的已取得防爆合格证的电缆引入装置及防爆堵头,采用耐高温电缆。
2、火焰探测器的设置应参考《火灾自动报警设计规范》(GB 50116)及其他相关规范标准执行。
3、所有连线均采用1.0 mm2以上的电线,连接线末端剥去大约6mm 的绝缘护套,连接到JTG-Z-JBF4385-Ex火焰探测器的接线端子上。
4、检查外部连接线是否开路、短路故障。
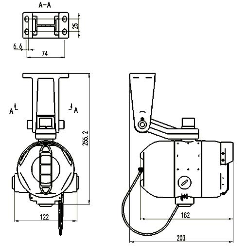
产品尺寸图
吸顶安装方式
壁挂安装方式
正视图 侧视图
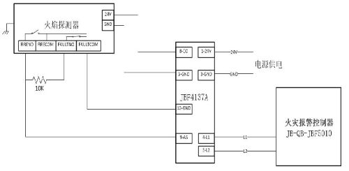
接线示意图

图2 火焰探测器与火灾报警控制器JB-QB-JBF5010接线图
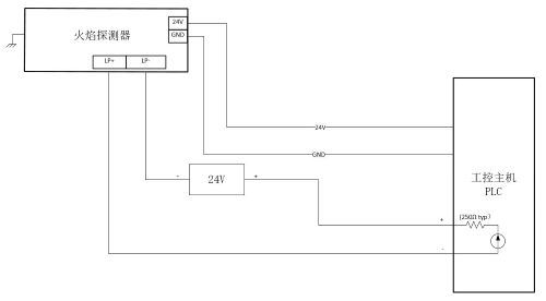
图3 火焰探测器与PLC工控机接线图
辅助继电器根据客户实际需求连接,可提供具有2A@30VDC触点容量的无源常开/常闭触点,外接其他设备或负载应不超过辅助继电器触点容量。
防爆电缆引入装置及封堵件需自配,且防爆等级须满足ExdⅡC T6 Gb/ExtDA21 IP67 T80℃要求。
在使用中,必须严格按照本说明书的描述进行安装与调试。
本公司保留对本说明书的最终解释权。