点型红外火焰探测器
产品型号:JTG-H-JBF4384-Ex
产品型号:JTG-H-JBF4384-Ex
产品采用工业标准要求设计,性能稳定可靠。
核心电路采用SMT 表面贴装工艺,可靠性高,一致性好。
三色指示灯可显示正常工作状态、报警及故障状态。
多级灵敏度可调。
采用智能算法,既可以实现快速报警,又可以降低误报率。
完善的故障模式,能够精准定位故障信息。
自动控制的除霜功能更好地抵抗窗口冷凝。(需订购时选配)
具备光路自检功能,自动执行维修人员通过测试灯进行的相同测试,保证可靠探测火情。
丰富的输出接口,满足各种应用场景。
外壳采用高强压铸铝,产品隔爆性好,防护等级达到IP67,抗粉尘污染、抗潮湿及抗腐蚀能力强
等特点。
有关技术资料、图样和样机均经石油和化学工业电气产品防爆质量监督检验中心(PCEC)审查
检验合格。
该火焰探测器具有优良的抗干扰能力,不受风雨、高温、高湿及自然人工光源等影响,可良好的
工作于室内或室外等各种严酷的工业现场环境下。
环境特性
|
工作温度 |
-40~+75℃ |
|
贮存温度 |
-40~+85℃ |
|
相对湿度 |
≤95%(无凝露) |
防爆特性
|
防爆标志 |
ExdⅡC T6 Gb/ExtDA21 IP67 T80℃ |
电气特性
|
工作电压 |
额定工作电压:DC24V 工作电压范围:DC18~28V |
|
监视电流 |
17mA~27mA(DC24V) |
|
报警电流 |
28mA~40mA(DC24V) |
|
除霜电流 (选配功能) |
130mA~220mA(DC24V)*窗口除霜功能开启后* |
|
启动时间 |
30sec.(系统自检) |
|
确 认 灯 |
监视状态绿色闪亮,报警状态红色常亮,故障状态黄色常亮 |
通讯特性
|
输出形式 |
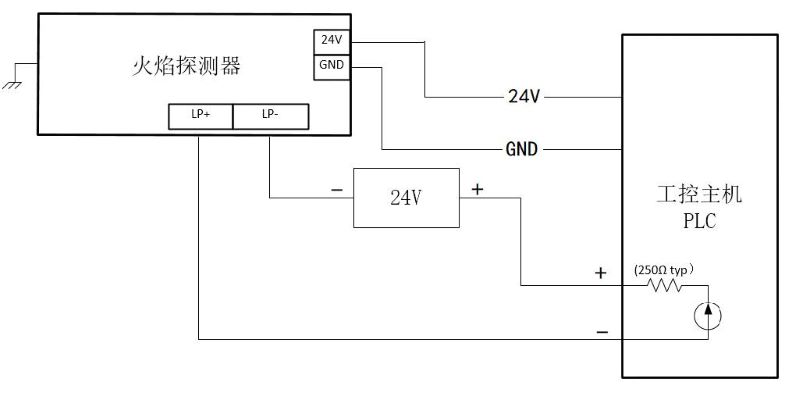
1)三组干节点输出(火警继电器、故障继电器和辅助继电器),继电器触点容量2A@30VDC。 2)RS485(Modbus协议,详见《火焰探测器RS485应用手册》); 3)4-20mA隔离输出; |
|
编址范围 |
不涉及 |
|
编址方式 |
非编址型 |
|
最远传输距离 |
RS485通讯1000m,其他不涉及 |
兼容性
|
通过JBF4137A中继模块后,接入JBF-11SF系列及JBF50XX系列控制器 |
机械特性
|
外 观 |
RAL3003宝石红 |
|
外壳材质 |
压铸铝 |
|
防护等级 |
IP67 |
|
电气接口 |
3×M20×1.5mm |
|
产品质量 |
2.5kg(含安装架) |
|
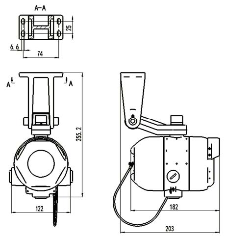
外形尺寸 |
L 133 mm×W 130 mm×H 182 mm;(不含安装架) |
探测特性
|
保护区域 |
详见3.1 |
|
响应时间 |
≤5s |
|
报警阈值 |
低、中、高3级可调(出厂默认设置为中) 监视状态每次绿灯闪烁次数表示报警阈值级别 绿灯闪烁1次为低、2次为中、3次为高 (报警阈值低时探测探测性能最佳,但误报率会增加,报警阈值高时,反之) |
|
报警延时 |
0-30s可调(出厂时设置为0秒) |
认证特性
|
消防认证、防爆认证 |
执行标准
|
1) |
GB 15631-2008 《特种火灾探测器》 |
|
2) |
GB 3836.1-2010 《爆炸性环境第1部分设备通用要求》 |
|
3) |
GB 3836.2-2010 《爆炸性环境第2部分:由隔爆外壳“d”保护的设备》 |
|
4) |
GB 12476.1-2013《可燃性粉尘环境用电气设备第1部分通用要求》 |
|
5) |
GB 12476.5-2013《可燃性粉尘环境用电气设备第5部分外壳保护型”tD”》 |
现场安装时,按GB/T 3836.15-2017 标准要求、配用与环境相适应的已取得防爆合格证的电缆
引入装置及防爆堵头,采用耐高温电缆。
2、火焰探测器的设置应参考《火灾自动报警设计规范》(GB 50116)及其他相关规范标准执行。
3、所有连线均采用1.0 mm2 以上的电线,连接线末端剥去大约6mm 的绝缘护套,连接到JTG-HJBF4384-
Ex 火焰探测器的接线端子上。
4、检查外部连接线是否开路、短路故障。
正视图 侧视图
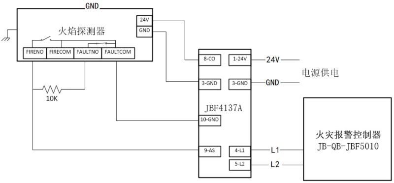
注1:辅助继电器根据客户实际需求连接,可提供具有2A@30VDC 触点容量的无源常开/常闭触
点,外接其他设备或负载应不超过辅助继电器触点容量。

图2 火焰探测器与火灾报警控制器JB-QB-JBF5010 接线图
辅助继电器根据客户实际需求连接,可提供具有2A@30VDC 触点容量的无源常开/常闭触点,外
接其他设备或负载应不超过辅助继电器触点容量。
防爆电缆引入装置及封堵件需自配,且防爆等级须满足ExdⅡC T6 Gb/ExtDA21 IP67 T80℃要求。
在使用中,必须严格按照本说明书的描述进行安装与调试。
本公司保留对本说明书的最终解释权。