CN | EN

输入模块

产品型号:JBF5131

返回产品
600x600
产品介绍

功能特点

内置微处理器,采用SMT表面贴装工艺。

回路信号处理电路与输入检测信号处理电路实现电气隔离,抗干扰能力强。

根据现场需要可监视无源常开、常闭两种状态信号。

具备状态监测和故障检测功能。

插拔式结构,易于施工、维护方便。

两线制,信号线无极性。功耗低,通讯距离1500m。

技术参数列表


使用环境

工作温度

-10~+55

贮存温度

-20~+65

相对湿度

95%(无凝露)

电气特性

工作电压

DC18V-28V,调制型,控制器提供

监视电流

0.25mADC24V

报警电流

1mADC24V

射频电磁场辐射抗扰度

30V/M

监视状态时输入动作灯红色闪亮,动作状态时输入动作灯红色常亮,故障状态时输入动作灯不亮

通讯特性

编址方式

使用专用电子编码器

编址范围

1-200

线   

两线制,信号线无极性

通讯距离

1500m

兼容性

兼 容 性

可用于JBF-11SF系列及JBF50系列控制器

机械特性

外壳材质

ABS

   

PANTONE Warm Gray 1 C 米白色

产品重量

119g

防护等级

IP20

外形尺寸

85mm长×85mm宽×41mm厚(含底座)

执行标准

执行标准

GB16806-2006《消防联动控制系统》

结构特征、安装与布线

采用明装方式,通过预埋盒或使用膨胀螺丝将底座固定在墙上,安装孔距为60mm。

使用专用电子编码器对其设定地址码(1-200)。

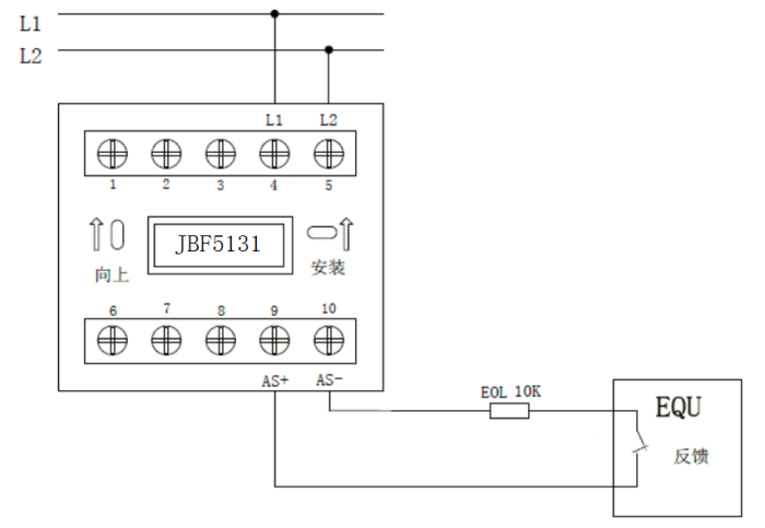
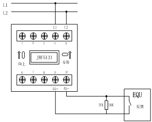
L1端子4、L2端子5分别接信号线L1和L2,无极性,信号线采用ZR-RVS-2×1.5mm²双绞线。

模块主体应在布线检查后、调试之前安装,防止因不恰当安装作业造成损失。

外形结构图


安装尺寸图


接线示意图


监视无源闭合应答的现场设备:


监视无源断开应答的现场设备:


说明

L1端子4、L2端子5分别接信号线L1和L2,无极性。

监视无源闭合应答的现场设备时,AS+端子9、AS-端子10接应答(无源触点),且需在监视设备的动合端并联10KΩ终端电阻。

监视无源断开应答的现场设备时,AS+端子9、AS-端子10接应答(无源触点),且需在监视设备的动开端串联10KΩ终端电阻。

市场部公众号

市场部公众号

官方公众号

官方公众号