CN | EN

MINIINPUT MODULE

产品型号:FW811M

返回产品
600x600
产品介绍

功能特点

The FW811M Input Module is designed to be inserted into a single gang utility box behind the dry contact device that it is monitoring.

The FW811M input module monitors a single contact. The input line is monitored for open line faults and ground faults, and the contact must thus be wired with an end-of-line resistor. It is an intelligent addressable module and takes one address on the Signaling Line Circuit (SLC) or Data Communication Link (DCL)of the fire alarm control panel.The FW811M is a UL listed device according to UL864 and ULC-S527 for Fire Protective Signaling Systems for indoor use. The type of the input contact is configurable.A remote LED indicator is used to show the module’s status.

Alarm Causing: An alarm causing input will produce an ALARM event. The remote LED will indicate the alarm condition by red steady on. A return to normal condition will be ignored and the remote LED indicator will remain latched in the red alarm condition until a reset command has been received.

Supervisory/Trouble/Monitor Causing: By changing the FW811M input module functions from its attribute interface on FACP, it can be configured to be a supervisory, trouble, or monitor signal, which will produce a SUPERVISORY, TROUBLE, or MONITOR event. The remote LED will indicate the event condition by red steady on. The supervisory and monitor are latched/non-latched selectable. A return to normal condition will cause the event to disappear and the remote LED indicator will return to the normal condition if the supervisory/monitor is non-latched. A return to normal condition will not cause the event to disappear and the device LED indicator will remain in event condition if the supervisory/monitor is latched. The trouble is non-latched.

SPECIFICATION


Nominal Voltage

24VDC

Voltage Range

15 to 28VDC

Standby Current

0.17mA

Alarm Current

0.80mA

Max. Line Impedance  per one wire

25 Ω

Max. Impedance for Ground Fault Detection

6.6 KΩ

Compatible EOLR

FW421 (10KΩ)

Operating Temperature

32°F to 120°F (0°C to 49°C)

Operating Humidity

0% to 93% RH


INSTALLATION


1. Mount the module into electrical box

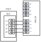
2. Wire the SLC/DCL to the module, as illustrated in Figure 1.



(a) Class A or DCLA Circuit



(b) Class B or DCLB Circuit


Figure 1Wiring Diagram (SLC/DCL)


3. Connect the input line circuit wires. See Figure 2. The maximum line impedance for input circuit is 25Ω per one wire.



Figure 2 Wiring Diagram (Input Line Circuit) – CLASS B only


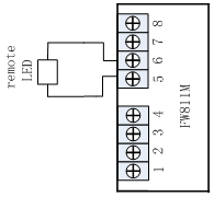
4. Connect the remote LED indicator. See Figure 3.

Note: The remote LED indicator shall be located in the same room as FW811M.



Figure 3 Wiring Diagram (remote LED)


5. Apply power to the control unit.


TESTING


1. Before testing, inform the proper authorities that the system is undergoing maintenance and will temporarily be put out of service. Disable the system to prevent unwanted alarms.

2. Make sure the remote LED is flashing. Failure to flash indicates a non-functioning module or a faulty wiring. Check the wiring and remount the module.

3. Trigger the input switch to activate a fire alarm/supervisory/trouble/monitor signal. The remote LED should turn to red steady on. Check the event occurrence displayed on LCD of the control panel and verify it.

4. Once the testing is completed, set the system back to normal operation and inform proper authorities.


MAINTENANCE


Return the module for repair if it fails to flash or alarm during testing. Do not disassemble the module without permission.

市场部公众号

市场部公众号

官方公众号

官方公众号