CN | EN

ISOLATOR MODULE

产品型号:FW851

返回产品
600x600
产品介绍

功能特点

The FW851 isolator module isolates the short point on the signaling line circuit (SLC) or Data Communication Link (DCL). The internal relay will be triggered to cut down the line power where the short trouble is detected. The device LED will indicate the trouble condition by yellow steady on. A return to normal condition will cause the internal relay to normal position to restore the line power and the device LED indicator will return to the idle condition. The FW851 does not occupy an address on the Fire Alarm Control Panel’s SLC/DCL, so no address programming is required. The FW851 is a UL listed product according to UL864 and ULC-S527 for Fire Protective Signaling Systems for indoor use.

SPECIFICATION


Nominal Voltage

24VDC

Voltage Range

15 to 28VDC

Standby Current

1.6mA

Active Current

10.8mA

Operating Temperature

32°F to 120°F (0°C to 49°C)

Operating Humidity

0% to 93% RH

Dimension

120 mm (L) x 120 mm (W) x 45 mm (H)

Weight (with backbox)

8.8 oz (249 g)

Mounting

FW800 Base

Mounting Location

Indoor Wall

Wiring Gauge

12 to 18 AWG


INSTALLATION


1. Mount the FW800 base onto a 2X4 or 4x4 electrical box using the screws provided, as illustrated in Figure 1



Figure 1. Installation Diagram


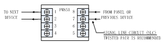
2. Connect the wires, see Figure 2. There is polarity insensitive between terminal 1 and terminal 2, and between terminal 7 and 8. All circuits are power-limited.




Figure 2. Module Wiring Diagram


3. Wire the SLC/DCL to the module, as illustrated in Figure 3.



(a) Class A or DCLA Circuit



(b) Class B or DCLB Circuit


Figure 3. SLC/DCL Wiring Diagram


4. Combine the assembled unit to the base using the screws provided.

5. Apply power to the control unit.


TESTING


1. Before testing, inform the proper authorities that the system is undergoing maintenance and will temporarily be put out of service. Disable the system to prevent unwanted alarms.

2. Make a short circuit trouble on the SLC/DCL. Check the FW851 internal relay to see if it is triggered and to verify if the LED turned to steady on.

3. Restore the short circuit trouble and check the FW851 internal relay to see if it is restored to normal position and to verify that the LED turned off.

4. Once the testing is completed, set the system back to normal operation and inform proper authorities.


MAINTENANCE


Return the module for repair if it fails to flash or alarm during testing. Do not disassemble the module without permission.

市场部公众号

市场部公众号

官方公众号

官方公众号