CN | EN

INPUT MODULE

产品型号:FW811

返回产品
600x600
产品介绍

功能特点

The FW811 input module monitors a single contact. The input line is monitored for open line faults and ground faults, and the contact must thus be wired with an end-of-line resistor. It is an intelligent addressable module and takes one address on the Signaling Line Circuit (SLC) or Data Communication Link (DCL) of the fire alarm control panel. The FW811 is a UL listed device according to UL864 and ULC-S527 for Fire Protective Signaling Systems for indoor use. The type of the input contact is configurable.

Alarm Causing: An alarm causing input will produce an ALARM event. The device LED will indicate the alarm condition by red steady on. A return to normal condition will be ignored and the device LED indicator will remain latched in the red alarm condition until a reset command has been received.

Supervisory/Trouble/Monitor Causing: By changing the FW811 input module functions from its attribute interface on FACP, it can be configured to be a supervisory, trouble, or monitor signal, which will produce a SUPERVISORY, TROUBLE, or MONITOR event. The device LED will indicate the event condition by red steady on. The supervisory and monitor are latched/non-latched selectable. A return to normal condition will cause the event to disappear and the device LED indicator will return to the normal condition if the supervisory/monitor is non-latched. A return to normal condition will not cause the event to disappear and the device LED indicator will remain in event condition if the supervisory/monitor is latched. The trouble is non-latched.

SPECIFICATION


Nominal Voltage

24VDC

Voltage Range

15 to 28VDC

Standby Current

0.17mA

Alarm Current

0.79mA

Max. Line Impedance

25 Ω

Max. Impedance for Grounding

6.6 KΩ

Compatible EOLR

FW421 (10KΩ)

Operating Temperature

32°F to 120°F (0°C to 49°C)

Operating Humidity

0% to 93% RH

Mounting

FW800 base

Dimension

120 mm (L) x 120 mm (W) x 45 mm (H)

Weight (with backbox)

8.7 oz (247 g)

Wiring Gauge

12 to 18 AWG


INSTALLATION


1. Mount the FW800 base onto a 2X4 or 4x4 electrical box using the screws provided, as illustrated in Figure 1.




Figure 1. Installation Diagram


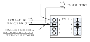
2. Connect the wires, see Figure 2. There is polarity sensitive between terminal 1 and terminal 2. All circuits are power-limited.



Figure 2. Wiring Diagram (SLC/DCL)


3. Wire the SLC/DCL to the module, as illustrated in Figure 3.



(a) Class A or DCLA Circuit



(b) Class B or DCLB Circuit


Figure 3. SLC/DCL Wiring Diagram


4. Connect the input line circuit wires. See Figure 4. The maximum line impedance for input circuit is 25Ω.


 


(a) Class A Circuit



(b) Class B Circuit


Figure 4 Wiring Diagram (Input Line Circuit)


5. Combine the assembled unit to the base using the screws provided.

6. Apply power to the control unit.



TESTING



1. Before testing, inform the proper authorities that the system is undergoing maintenance and will temporarily be put out of service. Disable the system to prevent unwanted alarms.

2. Make sure the indicator LED on the detector’s surface is flashing. Failure to flash indicates a non-functioning detector or a faulty wiring. Check the wiring and remount the detector.

3. Trigger the input switch to activate a fire alarm/supervisory/trouble/monitor signal. The LED should turn to red steady on. Check the event occurrence displayed on LCD of the controller and verify it.

4. Once the testing is completed, set the system back to normal operation and inform proper authorities.


MAINTENANCE


Return the module for repair if it fails to flash or alarm during testing. Do not disassemble the module without permission.


市场部公众号

市场部公众号

官方公众号

官方公众号